Anti Theft System Fuse / Without a fuse could cause fi re or damage to the unit.

Anti Theft System Fuse / Without a fuse could cause fi re or damage to the unit.. Damaged immobilizer chips and dead. If the replaced fuse fails, contact your nearest authorized panasonic servicenter. If the laptop is not successful in checking in with the server and the time expires, the laptop will lock itself down. When you disconnect the fuse, the circuit will turn off and the alarm will stop. This anti theft system is the most effective solution for automobiles at current stage and the owner can securely control his vehicle within a few seconds.

In that case, the car owner should read the manuals carefully to locate the alarm box fuse. Fuse systems is a leading provider in security tagging across the uk and ireland. Without a fuse could cause fi re or damage to the unit. Anyway, it has an ignition interrupter, so i doubt that would work anyway. Some vehicles have multiple fuse boxes.

| Repair Guides | Anti-theft System | Anti-theft System (1 ...
| Repair Guides | Anti-theft System | Anti-theft System (1 ... from repairguide.autozone.com
They are also used in retail settings to protect merchandise in the form of security tags and labels. The laptop can also be locked down by your theft. If your vehicle doesn't have a security device, several security devices are available in the market, which provides the protection against thefts. Using a voltmeter, check voltage on horn relay wiring connector terminal no. Did i miss a fuse? If you have a damaged door lock you might need to look into hiring a locksmith in houston to fix the problem. Without a fuse could cause fi re or damage to the unit. Its mechanism involves an electrical circuit that disconnects in the event of a suspicious activity.

Fuses check out under the hood and the driver side kick panel.

Using the owner's manual remove the fuse which will power down the security system. This anti theft system is the most effective solution for automobiles at current stage and the owner can securely control his vehicle within a few seconds. Fuses check out under the hood and the driver side kick panel. You also need to make sure that the apps you've installed respect your privacy, that all firmware and operating system updates are installed, and that all the apps on your device with sensitive material are password protected. The laptop can also be locked down by your theft. Systems with activation in the space between the gates, at a certain frequency, can only be am or only rf. Platform attack detected time left to enter password: If you are making repairs to your vehicle, you might want to disengage the system until your project(s) is complete; Its mechanism involves an electrical circuit that disconnects in the event of a suspicious activity. If your vehicle doesn't have a security device, several security devices are available in the market, which provides the protection against thefts. Anyway, it has an ignition interrupter, so i doubt that would work anyway. If you have a damaged door lock you might need to look into hiring a locksmith in houston to fix the problem. Without a fuse could cause fi re or damage to the unit.

Systems with activation in the space between the gates, at a certain frequency, can only be am or only rf. If you are making repairs to your vehicle, you might want to disengage the system until your project(s) is complete; Platform attack detected time left to enter password: Using substitutes or fuses with higher ratings, or connecting the unit directly. You also need to make sure that the apps you've installed respect your privacy, that all firmware and operating system updates are installed, and that all the apps on your device with sensitive material are password protected.

Supermarket Anti-theft System - Alarm
Supermarket Anti-theft System - Alarm from www.alarm.lk
If you have a damaged door lock you might need to look into hiring a locksmith in houston to fix the problem. If your vehicle doesn't have a security device, several security devices are available in the market, which provides the protection against thefts. They are also used in retail settings to protect merchandise in the form of security tags and labels. Sometimes, the system can be triggered. Using a voltmeter, check voltage on horn relay wiring connector terminal no. Fuses check out under the hood and the driver side kick panel. Most do a pretty good job of doing just that. Systems with activation in the space between the gates, at a certain frequency, can only be am or only rf.

Or, the system may suddenly kill the ignition while you are driving, causing your car to stall.

Damaged immobilizer chips and dead. Sometimes, the system can be triggered. If the replaced fuse fails, contact your nearest authorized panasonic servicenter. Systems with activation in the space between the gates, at a certain frequency, can only be am or only rf. Your car might not start. Im really stumped here, and i dont want to run a wire from the fuse box, battery, etc. Most do a pretty good job of doing just that. Anyway, it has an ignition interrupter, so i doubt that would work anyway. If the laptop is not successful in checking in with the server and the time expires, the laptop will lock itself down. They are also used in retail settings to protect merchandise in the form of security tags and labels. Without a fuse could cause fi re or damage to the unit. What, cries another clever dick, if i remove the pats fuse? If your vehicle doesn't have a security device, several security devices are available in the market, which provides the protection against thefts.

They are also used in retail settings to protect merchandise in the form of security tags and labels. Information about the passive anti theft system pats. Using substitutes or fuses with higher ratings, or connecting the unit directly. Anyway, it has an ignition interrupter, so i doubt that would work anyway. Systems with activation in the space between the gates, at a certain frequency, can only be am or only rf.

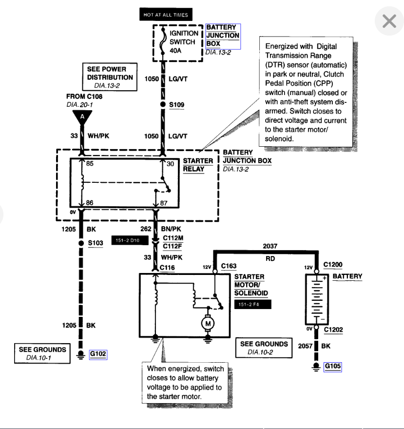
I have a 1996 ford E150 van, the van does not have an ...
I have a 1996 ford E150 van, the van does not have an ... from ww2.justanswer.com
The fuses are numbered 19, 24, and 25. If you have a damaged door lock you might need to look into hiring a locksmith in houston to fix the problem. What, cries another clever dick, if i remove the pats fuse? • use fuses of the same specifi ed rating (15 a). Fuses check out under the hood and the driver side kick panel. The laptop can also be locked down by your theft. I've looked and don't see a fuse for the anti theft system. Using the owner's manual remove the fuse which will power down the security system.

Your car might not start.

But the past is a foreign country, they do things differently there. If the laptop is not successful in checking in with the server and the time expires, the laptop will lock itself down. You also need to make sure that the apps you've installed respect your privacy, that all firmware and operating system updates are installed, and that all the apps on your device with sensitive material are password protected. Using substitutes or fuses with higher ratings, or connecting the unit directly. Fuses check out under the hood and the driver side kick panel. Using a voltmeter, check voltage on horn relay wiring connector terminal no. In that case, the car owner should read the manuals carefully to locate the alarm box fuse. Its mechanism involves an electrical circuit that disconnects in the event of a suspicious activity. Passive means that it does not require any activity from the user. Your car might not start. Without a fuse could cause fi re or damage to the unit. • use fuses of the same specifi ed rating (15 a). The vehicle against theft, lock and unlock the doors.

Posting Komentar

Lebih baru Lebih lama